
微信掃一掃立即咨詢 
產品簡介:
DU橡膠帶式真空過濾機是以在真空與大氣壓力差作用下為動力實現固液分離的設備,在結構上,過濾區段沿水平長度方向布置,可以連續完成過濾、洗滌、吸干、濾布再生等作業。設備適用于沉降速度快、顆粒粒徑分布寬、濾餅濕含量要求高,處理量和固體通過量大的場合。可廣泛應用于電廠煙氣脫硫石膏脫水、 石油化工、無機化工、生物工程、冶金,采礦、礦產加工、 重堿過濾 、 環境保護等行業。
產品特點:
連續工作: 連續過濾,物料的進料,過濾,濾餅洗滌,脫水、卸料、濾布再生在連續狀態下進行。
洗滌效果好,用水量可控: 過濾母液和各段濾餅洗滌液分段收集,并可實現平流和逆流洗滌。
設備適應性強: 可用于沉降速度快、顆粒粒徑分布寬、濾餅濕含量要求高,處理量和固體通過量大的場合。
模塊化: 整體結構上采用模塊化可拆式框架結構,確保了設備的運輸、安裝、維護方便。
控制靈活:設備的控制系統可與客戶的DCS控制中心無縫對接,可以實現就地、DCS控制中心、遠程控制自由切換。
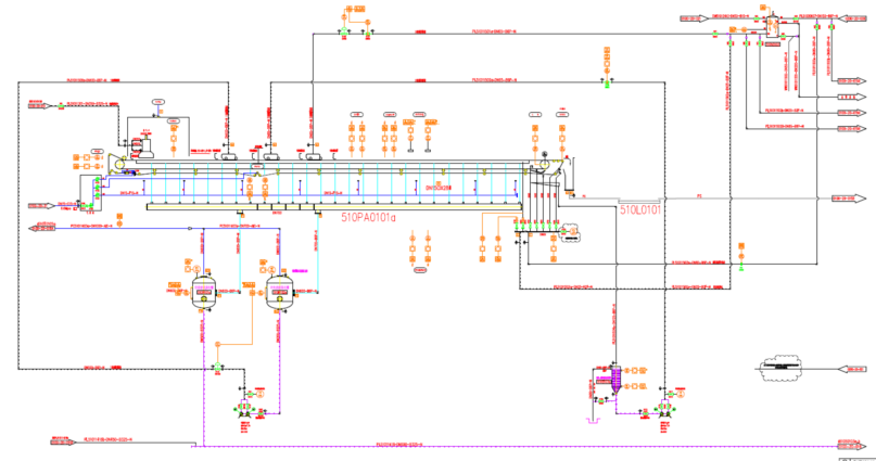
DU 型帶式真空過濾機應用于重堿過濾的工藝流程圖:

提供敞開標準設計外,我們可根據用戶的需求提供以下多種DU 型帶式真空
過濾機(橡膠帶式真空過濾機) 1、全密閉外罩 2、特殊材料

服務支持
整體工藝設計:
我們能基于實驗室試驗及小試的測量和分析,確定準確的工藝參數,制定合理的方案與正確的選型。把客戶的投入風險力控到零。
項目施工:
憑借完善的項目管理體系與經驗豐富的高素質團隊,可以為客戶提供一體化的工程服務,并能根據客戶的合同文件開展項目質量、進度、安全、成本、采購、信息檔案、組織協調等管理工作,最終實現項目目標,為客戶提供最佳服務。按照合同約定對工程建設項目的設計、采購、施工、試運行等實行全過程或若干階段的承包,并對承包工程的質量、安全、工期、造價全面負責。
響應時間與售后服務:
在保修期內出現任何由于缺陷造成的故障,我公司給予下列響應承諾:12小時做出響應,72小時內趕赴國內現場。在保修期內有能力提供24小時的響應服務,保證任何時候用戶方都能及時得到幫助。
掃一掃立即咨詢